Shop
Für die Filterung wurden keine Ergebnisse gefunden!
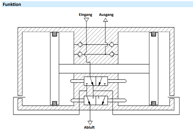
90-PB Druckbooster
Druckbooster Baureihe 90-PB Ø 50 mm Verstärkungsfaktor 1,8 Eingangsdruck : 1,5…10 bar Ausgangsdruck: 2,7…18 bar Temperaturbereich: +5°C…+60°C
Artikelnummer: 90-PB-050-18-0
ab 480,05 €
*



